Hydraulik


Aggregat


202312190840_pumpe

202312190841_pumpe

202312191007_zylinder

202312191009_steuergerät

202312191013_tank

202312191013_tank2

202403011959_Zylinder

202507251519

202507251542

SAE6-Connectors

SPX-FennerHydraulikaggregat

anschluss

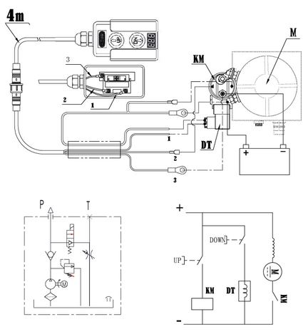
schaltplan

vevor1

vevorSchaltplan

Beschreibung


Links: